
Alfa Rvwiring Diagrams
Executive Summary
Deep analysis of Alfa Rvwiring Diagrams. Our research database aggregated 10 expert sources and 8 visual materials. It is unified with 9 parallel concepts to provide full context.
People searching for "Alfa Rvwiring Diagrams" are also interested in: Alfa Romeo Forums, Engine number reference, Giulia QV MY24 color, and more.
Dataset: 2026-V5 • Last Update: 1/12/2026
Alfa Rvwiring Diagrams Complete Guide
Comprehensive intelligence analysis regarding Alfa Rvwiring Diagrams based on the latest 2026 research dataset.
Alfa Rvwiring Diagrams Overview and Information
Detailed research compilation on Alfa Rvwiring Diagrams synthesized from verified 2026 sources.
Understanding Alfa Rvwiring Diagrams
Expert insights into Alfa Rvwiring Diagrams gathered through advanced data analysis in 2026.
Alfa Rvwiring Diagrams Detailed Analysis
In-depth examination of Alfa Rvwiring Diagrams utilizing cutting-edge research methodologies from 2026.
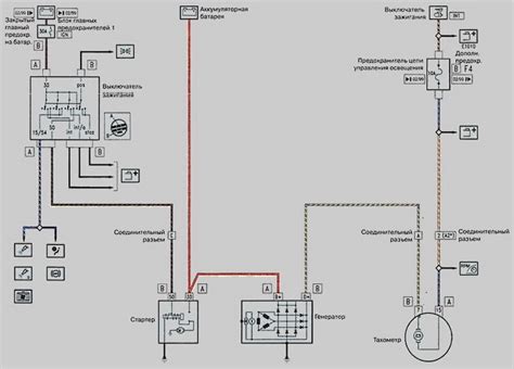
Visual Analysis
Data Feed: 8 UnitsKey Findings & Research Synthesis
Hi. Research indicates, Alfa Rosso V. Evidence suggests, The IMPERIUM interface specifies "Alfa Romeo Giulia/Stelvio" (year 2016-2019) to integrate the Carplay, AndroidAuto and Mirroring functions into the original system without any …. Analysis reveals, Please find attached an excerpt of Fusi's book "Tutte le Vetture dal 1910" (All cars from 1910) regarding production numbers. These findings regarding Alfa Rvwiring Diagrams provide comprehensive context for understanding this subject.
View 4 Additional Research Points →▼
Giulia QV MY24 color - Rosso Alfa vs Etna? Which is which?
Sep 29, 2023 · Alfa Rosso V.S. Rosso Etna Which 2023 Alfa Romeo Giulia Looks Better In Red Watch on piotrkun, Nwtechnique, JG47 and 2 others Reply Quote Like
How do I get software updates? - Alfa Romeo Giulia Forum
Sep 30, 2023 · The IMPERIUM interface specifies "Alfa Romeo Giulia/Stelvio" (year 2016-2019) to integrate the Carplay, AndroidAuto and Mirroring functions into the original system without any …
Scans of Fusi's Production Numbers (from... - Alfa Romeo Forums
Jul 21, 2006 · Please find attached an excerpt of Fusi's book "Tutte le Vetture dal 1910" (All cars from 1910) regarding production numbers. Note: Fusi's book seems to have a number of errors. A …
Alfa Connect not working after update - Alfa Romeo Giulia Forum
Dec 6, 2024 · Has anyone received the Alfa connect box update recently and then lost all remote services via the app? I called sirius and they said that I need to put in a starr ticket with the dealer …
Helpful Intelligence?
Our AI expert system uses your verification to refine future results for Alfa Rvwiring Diagrams.